Iklan
Pertanyaan
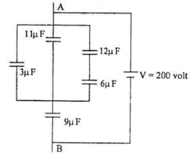
Rangkaian kapasitor ditunjukkan oleh gambar berikut. Bila titik A ke B dihubungkan dengan sumber tegangan 200 V ( =), maka besar energi pada rangkaian kapasitor adalah ....

0,40 J
0,24 J
0,12 J
0,10 J
0,08 J
Iklan
A. Aulia
Master Teacher
14
4.5 (10 rating)
Dina Aprilia
Mudah dimengerti
Hikmah, A
Pembahasan lengkap banget
Ais Tri W.W.S.
Ini yang aku cari!
Fernando Satria Alim Sutanto
Pembahasan terpotong
Iklan
RUANGGURU HQ
Jl. Dr. Saharjo No.161, Manggarai Selatan, Tebet, Kota Jakarta Selatan, Daerah Khusus Ibukota Jakarta 12860
Produk Ruangguru
Bantuan & Panduan
Hubungi Kami
©2026 Ruangguru. All Rights Reserved PT. Ruang Raya Indonesia