Iklan
Pertanyaan

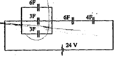
Perhatikan gambar rangkaian kapasitor berikut! Energi yang tersimpan dalam rangkaian adalah....
576 joule
288 joule
144 joule
72 joule
48 joule
Iklan
A. Aulia
Master Teacher
6
3.6 (8 rating)
NurLaila Amaliatus Sholehah
Pembahasan lengkap banget Ini yang aku cari! Makasih ❤️
ziddan farizky
Jawaban tidak sesuai Pembahasan terpotong Pembahasan tidak menjawab soal
Iklan
RUANGGURU HQ
Jl. Dr. Saharjo No.161, Manggarai Selatan, Tebet, Kota Jakarta Selatan, Daerah Khusus Ibukota Jakarta 12860
Produk Ruangguru
Bantuan & Panduan
Hubungi Kami
©2026 Ruangguru. All Rights Reserved PT. Ruang Raya Indonesia