Iklan

Pertanyaan

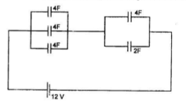
Perhatikan gambar rangkaian kapasitas berikut. Energi yang tersimpan dalam rangkaian listrik di atas adalah ....

Perhatikan gambar rangkaian kapasitas berikut.

Energi yang tersimpan dalam rangkaian listrik di atas adalah ....

  1. 576 joule

  2. 288 joule

  3. 144 joule

  4. 72 joule

  5. 48 joule

Ikuti Tryout SNBT & Menangkan E-Wallet 100rb

Habis dalam

01

:

15

:

36

:

43

Klaim

Iklan

A. Aulia

Master Teacher

Jawaban terverifikasi

Pembahasan

Ada dua kapasitas kapasitor yang dirangkai secara paralel. Ada tiga kapasitas kapasitor yang dirangkai secara paralel. Lalu rangkai kedua rangkaian gabungan tersebut secara paralel sehingga menjadi kapasitas total dalam rangkaian : Besarnya energi pada kapasitor setelah semuanya digabungkan adalah :

Ada dua kapasitas kapasitor yang dirangkai secara paralel.

straight C subscript straight p 1 end subscript equals 4 plus 2 equals 6 space straight F

Ada tiga kapasitas kapasitor yang dirangkai secara paralel.

straight C subscript straight p 2 end subscript equals 4 plus 4 plus 4 equals 12 space straight F

Lalu rangkai kedua rangkaian gabungan tersebut secara paralel sehingga menjadi kapasitas total dalam rangkaian :

1 over straight C subscript straight s equals 1 over 6 plus 1 over 12 equals 2 over 12 plus 1 over 12 equals 3 over 12  straight C subscript straight s equals 12 over 3 equals space 4 space straight F

Besarnya energi pada kapasitor setelah semuanya digabungkan adalah :

straight W space equals 1 half CV squared  straight W subscript total equals 1 half straight C subscript total straight V subscript total squared  straight W subscript total equals 1 half straight C subscript seri straight V subscript total squared  straight W subscript total equals 1 half left parenthesis 4 right parenthesis left parenthesis 12 right parenthesis squared  straight W subscript total equals space 288 space straight J

Perdalam pemahamanmu bersama Master Teacher
di sesi Live Teaching, GRATIS!

30

Yusril Ramadhan Cahyo Bhion

Makasih ❤️ Ini yang aku cari!

Echa Parisya

Mudah dimengerti

Iklan

Pertanyaan serupa

Perhatikan gambar rangkaian kapasitor di bawah! Besar energi listrik pada rangkaian tersebut adalah ... ( 1 μ F = 1 0 − 6 F )

2

5.0

Jawaban terverifikasi

RUANGGURU HQ

Jl. Dr. Saharjo No.161, Manggarai Selatan, Tebet, Kota Jakarta Selatan, Daerah Khusus Ibukota Jakarta 12860

Coba GRATIS Aplikasi Roboguru

Coba GRATIS Aplikasi Ruangguru

Download di Google PlayDownload di AppstoreDownload di App Gallery

Produk Ruangguru

Hubungi Kami

Ruangguru WhatsApp

+62 815-7441-0000

Email info@ruangguru.com

[email protected]

Contact 02130930000

02130930000

Ikuti Kami

©2026 Ruangguru. All Rights Reserved PT. Ruang Raya Indonesia