Urutkan
Nadin A
25 Agustus 2023 05:30

1
Mila P
25 Agustus 2023 05:30

0
Yuki Y
25 Agustus 2023 05:30
1
Gracias M
25 Agustus 2023 05:30

0
Mila P
25 Agustus 2023 05:30
1
Yuki Y
25 Agustus 2023 05:29
2
Mila P
25 Agustus 2023 05:29
1
Farhanhafizh F
23 Agustus 2023 15:14
1
Apabila diketahui massa sebuah benda pada suatu tempat 15 kg dan percepatan gravitasi di tempat tersebut 10 m/s2, maka berat benda adalah ....
5
4.0
Tekanan yang dialami pada mulut ikan adalah ...
2
3.9
Empat akuarium terbuat dari kaca yang sama. Keempat akuarium tersebut memiliki volume sama tetapi bentuk berbeda seperti gambar berikut:
llustrator: Arif Nursahid
Berdasarkan gambar tersebut, manakah pernyataan berikut ini yang benar?
1
4.4
Diketahui cepat rambat cahaya di udara 3 x 108 m/s2 dan cepat rambat cahaya pada kaca 2,25 x 108 m/s2. Indeks bias kaca tersebut adalah..
2
5.0
Jika bandul C diayun, maka bandul yang turut berayun adalah....
17
4.8
Sebuah balon meletus dan terdengar 5 detik. Jika diketahui cepat rambat bunyi di udara , maka jarak sumber bunyi ke pendengar adalah...
9
4.2
<style type="text/css"> </style> Perhatikan gambar berikut! I
Di antara balok tersebut yang mempunyai tekanan terbesar terhadap lantai apabila diberi gaya yang sama besar adalah ....
3
4.2
Apa perbedaan atom dan molekul?
3
4.8
Berikut ini yang bukan merupakan penyebab perbedaan sifat suatu zat dengan zat lain adalah ….
5
5.0
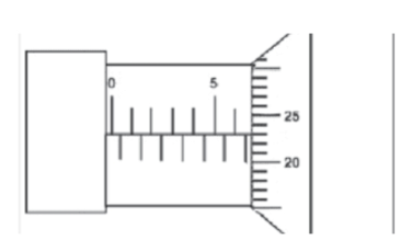
Siswa mengukur massa air dengan neraca dan gelas ukur seperti gambar A dan B berikut!
Massa air di dalam gelas ukur tersebut adalah ....
3
5.0
RUANGGURU HQ
Jl. Dr. Saharjo No.161, Manggarai Selatan, Tebet, Kota Jakarta Selatan, Daerah Khusus Ibukota Jakarta 12860
Produk Ruangguru
Bantuan & Panduan
Hubungi Kami
©2026 Ruangguru. All Rights Reserved PT. Ruang Raya Indonesia