Iklan
Pertanyaan
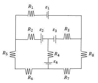
Perhatikan rangkaian berikut!

Jika diketahui dan dengan dan , maka arus yang melalui hambatan R1 adalah ….
0,16 A
1,12 A
2,16 A
3,97 A
4,97 A
Iklan
R. Utama
Master Teacher
1
5.0 (1 rating)
Iklan
RUANGGURU HQ
Jl. Dr. Saharjo No.161, Manggarai Selatan, Tebet, Kota Jakarta Selatan, Daerah Khusus Ibukota Jakarta 12860
Produk Ruangguru
Bantuan & Panduan
Hubungi Kami
©2026 Ruangguru. All Rights Reserved PT. Ruang Raya Indonesia