Iklan

Pertanyaan

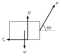
Rajah (gambar) menunjukkan sebuah kotak ditarik oleh seorang lelaki. Gesekan yang bertindak pada kotak ialah 5,0 N. Hitungan pecutan (percepatan) kotak itu!

Rajah (gambar) menunjukkan sebuah kotak ditarik oleh seorang lelaki. Gesekan yang bertindak pada kotak ialah 5,0 N.

 

Hitungan pecutan (percepatan) kotak itu!

Ikuti Tryout SNBT & Menangkan E-Wallet 100rb

Habis dalam

01

:

08

:

16

:

23

Klaim

Iklan

Y. Maghfirah

Master Teacher

Jawaban terverifikasi

Jawaban

percepatan kotak sebesar .

percepatan kotak sebesar Error converting from MathML to accessible text..

Pembahasan

Diketahui: Ditanyakan: Percepatan ("pecutan" dalam bahasa Malaysia), a = ? Jawab: Diagram benda bebas (DBB): Hukum II Newton: Dengan demikian, percepatan kotak sebesar .

Diketahui:

begin mathsize 14px style table attributes columnalign right center left columnspacing 0px end attributes row m equals cell 4 comma 0 space kg end cell row F equals cell 30 space straight N end cell row theta equals cell 60 degree end cell row cell f subscript s end cell equals cell 5 comma 0 space straight N end cell end table end style 

Ditanyakan:

Percepatan ("pecutan" dalam bahasa Malaysia), a = ?

Jawab:

Diagram benda bebas (DBB):

Hukum II Newton:

begin mathsize 14px style table attributes columnalign right center left columnspacing 0px end attributes row cell sum F subscript x end cell equals cell m a end cell row cell negative f subscript s plus F space cos space theta end cell equals cell m a end cell row cell negative 5 plus open parentheses 30 close parentheses open parentheses 1 half close parentheses end cell equals cell 4 a end cell row cell negative 5 plus 15 end cell equals cell 4 a end cell row cell 4 a end cell equals 10 row a equals cell bold 2 bold comma bold 5 bold space bold m bold divided by bold s to the power of bold 2 end cell end table end style 

Dengan demikian, percepatan kotak sebesar Error converting from MathML to accessible text..

Perdalam pemahamanmu bersama Master Teacher
di sesi Live Teaching, GRATIS!

1

Iklan

Pertanyaan serupa

Mula-mula balok diam. Kemudian gaya F menariknya selama 4 detik. Berapa besar kecepatannya pada detik ke 5?

5

0.0

Jawaban terverifikasi

RUANGGURU HQ

Jl. Dr. Saharjo No.161, Manggarai Selatan, Tebet, Kota Jakarta Selatan, Daerah Khusus Ibukota Jakarta 12860

Coba GRATIS Aplikasi Roboguru

Coba GRATIS Aplikasi Ruangguru

Download di Google PlayDownload di AppstoreDownload di App Gallery

Produk Ruangguru

Hubungi Kami

Ruangguru WhatsApp

+62 815-7441-0000

Email info@ruangguru.com

[email protected]

Contact 02130930000

02130930000

Ikuti Kami

©2025 Ruangguru. All Rights Reserved PT. Ruang Raya Indonesia