Iklan
Pertanyaan
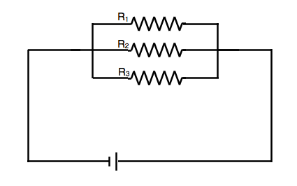
Perhatikan gambar berikut!

Jika R₁ > R₂ > R₃ dan V₁, V₂, V₃ merupakan beda potensial antara ujung-ujung tiap resistor, pernyataan yang benar adalah … .
Iklan
Y. Frando
Master Teacher
Mahasiswa/Alumni Universitas Negeri Yogyakarta
1
0.0 (0 rating)
Iklan
RUANGGURU HQ
Jl. Dr. Saharjo No.161, Manggarai Selatan, Tebet, Kota Jakarta Selatan, Daerah Khusus Ibukota Jakarta 12860
Produk Ruangguru
Bantuan & Panduan
Hubungi Kami
©2026 Ruangguru. All Rights Reserved PT. Ruang Raya Indonesia