Iklan

Pertanyaan

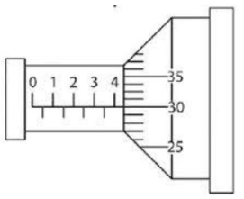
Perhatikan gambar berikut! Hasil pengukuran menggunakan mikrometer sekrup sebesar ... mm

Perhatikan gambar berikut!

Hasil pengukuran menggunakan mikrometer sekrup sebesar ... mm

  1. undefined 

  2. undefined 

Ikuti Tryout SNBT & Menangkan E-Wallet 100rb

Habis dalam

02

:

23

:

53

:

17

Klaim

Iklan

N. Puspita

Master Teacher

Jawaban terverifikasi

Jawaban

hasil pengukuran menggunakan mikrometer sekrup sebesar 4,3 mm.

hasil pengukuran menggunakan mikrometer sekrup sebesar 4,3 mm.undefined

Pembahasan

Pembahasan
lock

Diketahui : skala utama = 4mm skala nonius = 30 x 0,01 mm = 0,3 mm Hasil pengukuran menggunakan mikrometer sekrup adalah sebagai berikut. Hasil pengukuran= skala utama + skala nonius Hasil pengukuran = 4 + 0,3 Hasil pengukuran = 4,3 mm Jadi, hasil pengukuran menggunakan mikrometer sekrup sebesar 4,3 mm.

Diketahui :

skala utama = 4 mm
skala nonius = 30 x 0,01 mm = 0,3 mm


Hasil pengukuran menggunakan mikrometer sekrup adalah sebagai berikut.

Hasil pengukuran = skala utama + skala nonius
Hasil pengukuran = 4 + 0,3
Hasil pengukuran = 4,3 mm


Jadi, hasil pengukuran menggunakan mikrometer sekrup sebesar 4,3 mm.undefined

Perdalam pemahamanmu bersama Master Teacher
di sesi Live Teaching, GRATIS!

20

Agustina Ambarita

Makasih ❤️

Nadiya Nadiya

Pembahasan tidak menjawab soal

Iklan

Pertanyaan serupa

Gambar di bawah ini menunjukkan hasil pengukuran tebal kertas karton dengan menggunakan mikrometer sekrup. Hasil pengukurannya adalah...

44

4.0

Jawaban terverifikasi

RUANGGURU HQ

Jl. Dr. Saharjo No.161, Manggarai Selatan, Tebet, Kota Jakarta Selatan, Daerah Khusus Ibukota Jakarta 12860

Coba GRATIS Aplikasi Roboguru

Coba GRATIS Aplikasi Ruangguru

Download di Google PlayDownload di AppstoreDownload di App Gallery

Produk Ruangguru

Hubungi Kami

Ruangguru WhatsApp

+62 815-7441-0000

Email info@ruangguru.com

[email protected]

Contact 02130930000

02130930000

Ikuti Kami

©2025 Ruangguru. All Rights Reserved PT. Ruang Raya Indonesia