Iklan
Pertanyaan
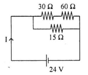
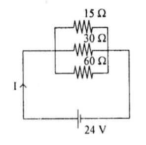
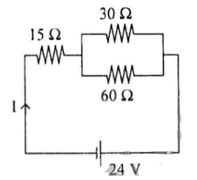
Rangkaian yang mengalirkan arus listrik terkecil adalah

60 O


Iklan
M. Robo
Master Teacher
3
5.0 (5 rating)
Aulia Zulfa K.H
Bantu banget
Muhammad Wahid
Ini yang aku cari!
Muhammad Naufal
Pembahasan lengkap banget
Iklan
Iklan
RUANGGURU HQ
Jl. Dr. Saharjo No.161, Manggarai Selatan, Tebet, Kota Jakarta Selatan, Daerah Khusus Ibukota Jakarta 12860
Produk Ruangguru
Bantuan & Panduan
Hubungi Kami
©2026 Ruangguru. All Rights Reserved PT. Ruang Raya Indonesia