Iklan
Pertanyaan
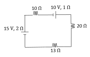
Perhatikan rangkaian berikut!

Energi listrik yang dihasilkan masing-masing baterai selama 1 menit adalah ….
144,504 J dan 72,520 J
162,000 J dan 144,504 J
451,008 J dan 306,504 J
451,008 J dan 144,504 J
501,452 J dan 451,008 J
Iklan
Y. Frando
Master Teacher
Mahasiswa/Alumni Universitas Negeri Yogyakarta
1
2.0 (1 rating)
Iklan
RUANGGURU HQ
Jl. Dr. Saharjo No.161, Manggarai Selatan, Tebet, Kota Jakarta Selatan, Daerah Khusus Ibukota Jakarta 12860
Produk Ruangguru
Bantuan & Panduan
Hubungi Kami
©2026 Ruangguru. All Rights Reserved PT. Ruang Raya Indonesia