Iklan

Pertanyaan

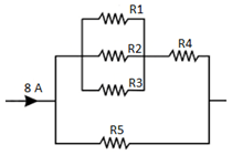
Perhatikan gambar di bawah ini! Jika R 1 sampai dengan R 5 4 Ω, 2 Ω, 4 Ω, 3 Ω, dan 4 Ω. Tegangan pada hambatan R 5 adalah ....

Perhatikan gambar di bawah ini!


Jika R1 sampai dengan R5 4 Ω, 2 Ω, 4 Ω, 3 Ω, dan 4 Ω. Tegangan pada hambatan R5 adalah ....

  1. 8 volt

  2. 12 volt

  3. 16 volt

  4. 20 volt

  5. 24 volt

Ikuti Tryout SNBT & Menangkan E-Wallet 100rb

Habis dalam

01

:

12

:

07

:

41

Klaim

Iklan

R. Amalia

Master Teacher

Mahasiswa/Alumni Universitas Padjadjaran

Jawaban terverifikasi

Pembahasan

Menghitung hambatan pengganti (rangkaian paralel) Menghitung hambatan pengganti dan (rangakaian seri) Menghitung hambatan pengganti dan (rangakaian paralel) Menghitung tegangan total Pada hubungan paralel, nilai tegangan sama sehingga:

Menghitung hambatan pengganti R subscript 1 comma space R subscript 2 comma space d a n space R subscript 3 (rangkaian paralel)

1 over R subscript 123 equals 1 over R subscript 1 plus 1 over R subscript 2 plus 1 over R subscript 3 equals 1 fourth plus 1 half plus 1 fourth equals fraction numerator 1 plus 2 plus 1 over denominator 4 end fraction equals 4 over 4 R subscript 123 equals 1 capital omega

Menghitung hambatan pengganti R subscript 123dan R subscript 5 (rangakaian seri)

R subscript 1234 equals R subscript 123 plus R subscript 4 equals 1 plus 3 equals 4 capital omega

 Menghitung hambatan pengganti R subscript 1234dan R subscript 5 (rangakaian paralel)

1 over R subscript 12345 equals 1 over R subscript 1234 plus 1 over R subscript 5 equals 1 fourth plus 1 fourth equals 2 over 4 R subscript 12345 equals 4 over 5 equals 2 capital omega

Menghitung tegangan total

V subscript 12345 equals I. R subscript 12345 equals left parenthesis 8 right parenthesis left parenthesis 2 right parenthesis equals 16 space v o l t

Pada hubungan paralel, nilai tegangan sama sehingga:

V subscript 5 equals V subscript 12345 equals 16 space v o l t 

Perdalam pemahamanmu bersama Master Teacher
di sesi Live Teaching, GRATIS!

4

Iklan

Pertanyaan serupa

Perhatikan gambar di bawah ini! Besar tegangan yang terukur pada R 1 adalah …

2

3.7

Jawaban terverifikasi

RUANGGURU HQ

Jl. Dr. Saharjo No.161, Manggarai Selatan, Tebet, Kota Jakarta Selatan, Daerah Khusus Ibukota Jakarta 12860

Coba GRATIS Aplikasi Roboguru

Coba GRATIS Aplikasi Ruangguru

Download di Google PlayDownload di AppstoreDownload di App Gallery

Produk Ruangguru

Hubungi Kami

Ruangguru WhatsApp

+62 815-7441-0000

Email info@ruangguru.com

[email protected]

Contact 02130930000

02130930000

Ikuti Kami

©2026 Ruangguru. All Rights Reserved PT. Ruang Raya Indonesia