Iklan

Pertanyaan

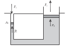
Perhatikan gambar berikut! Penampang kecil memiliki jari-jari sebesar 5 cm dan dikenakan gaya sebesar 50 N. Jika gaya yang dialami oleh penampang besar adalah 10.000 N,luas penampang pipa besar adalah … cm 2 .

Perhatikan gambar berikut!

Penampang kecil memiliki jari-jari sebesar 5 cm dan dikenakan gaya sebesar 50 N. Jika gaya yang dialami oleh penampang besar adalah 10.000 N, luas penampang pipa besar adalah … .

  1. 3.140

  2. 6.280

  3. 12.560

  4. 15.700

Ikuti Tryout SNBT & Menangkan E-Wallet 100rb

Habis dalam

02

:

21

:

40

:

45

Klaim

Iklan

F. Noor

Master Teacher

Jawaban terverifikasi

Jawaban

jawaban yang tepat adalah D.

jawaban yang tepat adalah D.

Pembahasan

Diketahui: Ditanya: Gunakan rumus dari Hukum Pascal: Jadi, jawaban yang tepat adalah D.

Diketahui:
begin mathsize 14px style F subscript k e c i l end subscript equals 50 space straight N F subscript b e s a r end subscript equals 10.000 space straight N r subscript k e c i l end subscript equals 5 space cm end style  

Ditanya:
begin mathsize 14px style A subscript b e s a r end subscript equals ? end style  

Gunakan rumus dari Hukum Pascal:

Error converting from MathML to accessible text.  

Jadi, jawaban yang tepat adalah D.

Perdalam pemahamanmu bersama Master Teacher
di sesi Live Teaching, GRATIS!

1

Iklan

Pertanyaan serupa

Terdapat mesin hidrolik dengan luas penampang kecil 20 cm 2 dan luas penampang besar 60 cm 2 . Gaya yang diberikan pada penampang kecil adalah 80 N. Jika terdapat sebuah benda dengan massa 6 kg, jumla...

1

4.6

Jawaban terverifikasi

RUANGGURU HQ

Jl. Dr. Saharjo No.161, Manggarai Selatan, Tebet, Kota Jakarta Selatan, Daerah Khusus Ibukota Jakarta 12860

Coba GRATIS Aplikasi Roboguru

Coba GRATIS Aplikasi Ruangguru

Download di Google PlayDownload di AppstoreDownload di App Gallery

Produk Ruangguru

Hubungi Kami

Ruangguru WhatsApp

+62 815-7441-0000

Email info@ruangguru.com

[email protected]

Contact 02130930000

02130930000

Ikuti Kami

©2026 Ruangguru. All Rights Reserved PT. Ruang Raya Indonesia