Iklan

Pertanyaan

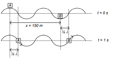
Dua balok kayu kecil A dan B terapung di permukaan danau. Jarak keduannya adalah 150 cn. Ketika gelombang sinusoida menjalar pada permukaan air teramati bahwa pada saat t=0 detik. Balok A berada di puncak, sedangkan balok B berada di lembah. Keduanya dipisahkan satu puncak gelombang. Pada saat t=1 detik, balok A berada di titik setimbang pertama kali dan sedang bergerak turun. Manakah pernyataan yang benar tentang gelombang pada permukaan air tersebut.

Dua balok kayu kecil A dan B terapung di permukaan danau. Jarak keduannya adalah 150 cn. Ketika gelombang sinusoida menjalar pada permukaan air teramati bahwa pada saat t=0 detik. Balok A berada di puncak, sedangkan balok B berada di lembah. Keduanya dipisahkan satu puncak gelombang. Pada saat t=1 detik, balok A berada di titik setimbang pertama kali dan sedang bergerak turun. Manakah pernyataan yang benar tentang gelombang pada permukaan air tersebut.
 

  1. Gelombang air memiliki panjang 200 cm

  2. Pada saat t=1 detik, balok B berada di titik seimbang dan sedang bergerak turun

  3. Frekuensi gelombang adalah 0,25 Hz

  4. Amplitudo gelombang adalah 75 cm

     

  5. Balok A akan kembali berada di puncak pada saat t=4,5 detik

Ikuti Tryout SNBT & Menangkan E-Wallet 100rb

Habis dalam

02

:

17

:

50

:

05

Klaim

Iklan

Y. Maghfirah

Master Teacher

Jawaban terverifikasi

Pembahasan

Error converting from MathML to accessible text.

 

Perdalam pemahamanmu bersama Master Teacher
di sesi Live Teaching, GRATIS!

1

Iklan

Pertanyaan serupa

Dua balok kayu kecil A dan B terapung di permukaan danau. Jarak keduanya adalah 150 cm. Ketika gelombang sinusoida menjalar pada permukaan air teramati bahwa pada saat t = 0 detik, balok A berada di p...

5

4.0

Jawaban terverifikasi

RUANGGURU HQ

Jl. Dr. Saharjo No.161, Manggarai Selatan, Tebet, Kota Jakarta Selatan, Daerah Khusus Ibukota Jakarta 12860

Coba GRATIS Aplikasi Roboguru

Coba GRATIS Aplikasi Ruangguru

Download di Google PlayDownload di AppstoreDownload di App Gallery

Produk Ruangguru

Hubungi Kami

Ruangguru WhatsApp

+62 815-7441-0000

Email info@ruangguru.com

[email protected]

Contact 02130930000

02130930000

Ikuti Kami

©2026 Ruangguru. All Rights Reserved PT. Ruang Raya Indonesia