Iklan

Pertanyaan

Balok A dan B dengan massa masing-masing 8 kg dan 5 kg dihubungkan dengan tali melalui katrol seperti gambar. Koefisien gesekan statis dan kinetis antara balok dengan lantai adalah 0,5 dan 0,3 ( g = 10 m . s − 2 ) . Balok C yang massanya 4 kg kemudian diletakkan di atas balok A maka ....

Balok A dan B dengan massa masing-masing 8 kg dan 5 kg dihubungkan dengan tali melalui katrol seperti gambar. Koefisien gesekan statis dan kinetis antara balok dengan lantai adalah 0,5 dan 0,3 . Balok C yang massanya 4 kg kemudian diletakkan di atas balok A maka ....

  1. tegangan tali sistem menjadi lebih kecll dari semula

  2. tegangan tali sistem menjadi dua kali semula

  3. sistem balok menjadi diam

  4. sistem balok bergerak dengan percepatan setengah kali semula

  5. sistem balok bergerak dengan percepatan dua kali semula

Ikuti Tryout SNBT & Menangkan E-Wallet 100rb

Habis dalam

02

:

17

:

19

:

55

Klaim

Iklan

Y. Maghfirah

Master Teacher

Jawaban terverifikasi

Pembahasan

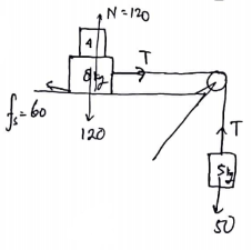
Gambar setelah balok A dan balok C digabungkan. Tinjau sumbu y pada balok A dan C setelah digabungkan. Sehingga gaya gesek sistem balok A dan C yang melawan berat B adalah : Gaya penyebab benda bergerak adalah berat benda B, yaitu : Ternyata : Sehingga dapat dipastikan bahwa sistem dalam keadaan setimbang, atau sistem balok diam.

Gambar setelah balok A dan balok C digabungkan.

Tinjau sumbu y pada balok A dan C setelah digabungkan.

sum straight F subscript straight y equals 0  straight N subscript total minus straight w subscript straight A minus straight w subscript straight C equals 0  straight N subscript total equals straight w subscript straight A plus straight w subscript straight C  straight N subscript total equals straight m subscript straight A space straight g plus straight m subscript straight c space straight g equals space left parenthesis straight m subscript straight A plus straight m subscript straight C right parenthesis space straight g  straight N subscript total equals left parenthesis 8 plus 4 right parenthesis left parenthesis 10 right parenthesis  straight N subscript total equals 120 space straight N

 

Sehingga gaya gesek sistem balok A dan C yang melawan berat B adalah :

straight f subscript straight s equals straight mu subscript straight s space. space straight N subscript total equals open parentheses 1 half close parentheses left parenthesis 120 right parenthesis equals 60 space straight N  straight f subscript straight k equals straight mu subscript straight k space. space straight N subscript total equals open parentheses 3 over 10 close parentheses left parenthesis 120 right parenthesis equals 36 space straight N

 

Gaya penyebab benda bergerak adalah berat benda B, yaitu :

straight w subscript straight B equals straight m subscript straight B space. space straight g equals left parenthesis 4 right parenthesis left parenthesis 10 right parenthesis equals 40 space straight N

Ternyata :

straight f subscript straight s space greater than space straight w subscript straight B

Sehingga dapat dipastikan bahwa sistem dalam keadaan setimbang, atau sistem balok diam.

straight f subscript gesek equals straight w subscript straight B equals 40 space straight N

Perdalam pemahamanmu bersama Master Teacher
di sesi Live Teaching, GRATIS!

15

Nafila

Mudah dimengerti, buat yang bilang ga ada jawabannya coba dibaca lagi yaa, ada kok jawabannya

about khusnaa

Pembahasan lengkap banget Ini yang aku cari! Mudah dimengerti

Tiara Hasna

Mudah dimengerti

Rizky Wahyu nur

Pembahasan tidak menjawab soal

NSofiK

Pembahasan tidak menjawab soal

Iklan

Pertanyaan serupa

Dua benda bermassa m A ​ = 6 kg dan m B ​ = 4 kg dihubungkan dengan sebuah katrol dengangesekan diabaikan seperti gambar dibawah ini. Jika meja licin, maka percepatan benda B dan tegangan talinya adal...

2

3.7

Jawaban terverifikasi

RUANGGURU HQ

Jl. Dr. Saharjo No.161, Manggarai Selatan, Tebet, Kota Jakarta Selatan, Daerah Khusus Ibukota Jakarta 12860

Coba GRATIS Aplikasi Roboguru

Coba GRATIS Aplikasi Ruangguru

Download di Google PlayDownload di AppstoreDownload di App Gallery

Produk Ruangguru

Hubungi Kami

Ruangguru WhatsApp

+62 815-7441-0000

Email info@ruangguru.com

[email protected]

Contact 02130930000

02130930000

Ikuti Kami

©2026 Ruangguru. All Rights Reserved PT. Ruang Raya Indonesia