Anthony S
15 Januari 2023 18:52
Iklan
Anthony S
15 Januari 2023 18:52
Pertanyaan

3
1
Iklan
D. Dian
07 Februari 2023 13:44
Jawaban yang benar adalah D. √6 : 4.
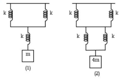
Diketahui:
m1 = m
m2 = 4m
k = k
Ditanyakan:
T1 : T2 = ...?
Pembahasan:
Periode merupakan waktu yang dibutuhkan untuk melakukan satu kali getaran.
Persamaan matematisnya yaitu:
T = (1/2π)√(m/k)
dimana:
T = periode (s)
m = massa (kg)
k = konstanta pegas (N/m)
1. Menghitung Konstanta Pegas 1 dan 2
Pegas 1
Paralel:
kp = k1 + k2 = k + k = 2k
Seri:
1/k = 1/2k + 1/k
1/k = 3/2 k
k1 = 2/3 k
Pegas 2
Paralel:
kp1 = k + k = 2k
kp2 = k + k = 2k
Seri:
1/k = 1/2k + 1/2k
k2 = k
2. Menghitung Perbandingan Periode Pegas
T1/T2 = ((1/2π)√(m1/k1))/((1/2π)√(m2/k2))
T1/T2 = (√(m/(2/3)k))/(√(4m/k))
T1/T2 = √(3/2)/√4
T1/T2 = √3/√8
T1/T2 = √6 : √16
T1/T2 = √6 : 4
Oleh karena itu, jawaban yang benar adalah D.
· 0.0 (0)
Iklan
Tanya ke AiRIS
Yuk, cobain chat dan belajar bareng AiRIS, teman pintarmu!

LATIHAN SOAL GRATIS!
Drill Soal
Latihan soal sesuai topik yang kamu mau untuk persiapan ujian


Perdalam pemahamanmu bersama Master Teacher
di sesi Live Teaching, GRATIS!