Agatha P
09 Agustus 2022 06:31
Iklan
Agatha P
09 Agustus 2022 06:31
Pertanyaan

1
1
Iklan
D. Arsy
22 November 2022 11:56
Jawabannya adalah A
Ingat!
Rumus:
Luas persegi panjang = panjang x lebar
Luas persegi = sisi x sisi
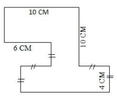
Perhatikan bangun pada soal, buatlah garis bantu sehingga bangun tersebut terdiri dari gabungan 2 buah persegi panjang dan sebuah persegi.
Dengan demikian dapat dicari masing-masing luas sebagai berikut.
L1 = Luas persegi panjang atas
L2 = Luas persegi tengah
L3 = Luas persegi panjang bawah
Mencari L1 (Luas persegi panjang atas)
L1 = panjang x lebar
L1 = 10 cm x 6 cm
L1 = 60 cm2
Mencari L2 (Luas persegi tengah)
L2 = sisi x sisi
L2 = 4 cm x 4 cm
L2 = 16 cm2
Mencari L3 (Luas persegi panjang bawah)
L3 = panjang x lebar
L3 = 12 cm x 4 cm
L3 = 48 cm2
Ltotal = L1 + L2 + L3 = 60 + 16 + 48 = 124 cm2
Jadi, luas bangun adalah 124 cm2
· 0.0 (0)
Iklan
Tanya ke AiRIS
Yuk, cobain chat dan belajar bareng AiRIS, teman pintarmu!
Roboguru Plus
Dapatkan pembahasan soal ga pake lama, langsung dari Tutor!


Perdalam pemahamanmu bersama Master Teacher
di sesi Live Teaching, GRATIS!